PART 2
VHDL_Overview
VHDL_Overview.moore_110_detector
- Design a 110 detector
- Detect 110 on x
- Output becomes 1 when found
VHDL_Overview.moore_110_detector.behavioral
ENTITY moore_110_detector IS PORT (x, clk : IN BIT; z : OUT BIT);
END moore_110_detector;
--
ARCHITECTURE behavioral OF moore_110_detector IS
TYPE state IS (reset, goto1, goto11, goto110);
SIGNAL current : state := reset;
BEGIN
PROCESS(clk)
BEGIN
IF clk = '1' THEN
CASE current IS
WHEN reset =>
IF x = '1' THEN current <= goto1;
ELSE current <= reset; END IF;
WHEN goto1 =>
IF x = '1' THEN current <= goto11;
ELSE current <= reset; END IF;
WHEN goto11 =>
IF x = '1' THEN current <= goto11;
ELSE current <= goto110; END IF;
WHEN goto110 =>
IF x = '1' THEN current <= goto1;
ELSE current <= reset; END IF;
END CASE;
END IF;
END PROCESS;
z <='1' WHEN current = goto110 ELSE '0';
END behavioral;
- Entity and architecture for interface and operation
- A single process includes a case statement
- Statements in a process statement execute sequentially
VHDL_Overview.moore_110_detector.top_down_design
- Partition design to available components
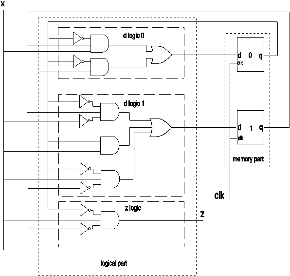
VHDL_Overview.moore_110_...top_down_...overall_structure
- Logic circuit for the sequence detector
- Three logical functions are used
VHDL_Overview.moore_110_...top_down...available_components
ENTITY dff IS
PORT(d : IN BIT; clk : IN BIT; q : OUT BIT);
END dff;
--
ARCHITECTURE dataflow OF dff IS
BEGIN
b:BLOCK (clk = '1' AND NOT clk'STABLE)
BEGIN
q <= GUARDED d AFTER 11 NS;
END BLOCK;
END dataflow;
- Available parts include DFF, and f, g, and z logical functions
- VHDL Entity & Architecture for each unit is shown
VHDL_Overview.moore_110_...top_down...available_components
ENTITY logicfunction_f IS
PORT (i1, i2, i3 : IN BIT; o1 : OUT BIT);
END logicfunction_f;
--
ARCHITECTURE dataflow OF logicfunction_f IS
BEGIN
o1 <= ((NOT i1) AND i2) OR ((NOT i2) AND i1 AND i3) AFTER 8 NS;
END dataflow;
ENTITY logicfunction_g IS
PORT (i1, i2, i3 : IN BIT; o1 : OUT BIT);
END logicfunction_g;
--
ARCHITECTURE dataflow OF logicfunction_g IS
BEGIN
o1 <= (i2 AND (NOT i1) AND (NOT i3)) OR (i2 AND i1 AND i3) OR
((NOT i2) AND (NOT i1) AND i3) AFTER 8 NS;
END dataflow;
ENTITY logicfunction_z IS
PORT (i1, i2, i3 : IN BIT; o1 : OUT BIT);
END logicfunction_z;
--
ARCHITECTURE dataflow OF logicfunction_z IS
BEGIN
o1 <= (i2 AND (NOT i1) AND (NOT i3)) AFTER 8 NS;
END dataflow;
- VHDL Entity & Architecture for logical functions
VHDL_Overview.moore_110...top_down_...first_level_wiring
ENTITY logical_part IS
PORT (x, q0_in, q1_in : IN BIT; d0_out, d1_out, z_out : OUT BIT);
END logical_part;
--
ARCHITECTURE structural OF logical_part IS
COMPONENT c1 PORT (i1, i2, i3 : IN BIT ; o1 : OUT BIT);
END COMPONENT;
FOR d_logic0 : c1 USE ENTITY WORK.logicfunction_g (dataflow);
COMPONENT c2 PORT (i1, i2, i3 : IN BIT; o1 : OUT BIT);
END COMPONENT;
FOR d_logic1 : c2 USE ENTITY WORK.logicfunction_f (dataflow);
COMPONENT c3 PORT(i1,i2,i3 : IN BIT; o1 : OUT BIT);
END COMPONENT;
FOR z_logic :c3 USE ENTITY WORK.logicfunction_z(dataflow);
BEGIN
d_logic0: c1 PORT MAP(q0_in,q1_in,x,d0_out);
d_logic1: c2 PORT MAP(q0_in,q1_in,x,d1_out);
z_logic : c3 PORT MAP(q0_in,q1_in,x,z_out);
END structural;
- Wiring the logical part
- Statements in architecture execute concurrently
VHDL_Overview.moore_110...top_down_...first_level_wiring
ENTITY memory_part IS
PORT(d0_in,d1_in,clk : IN BIT;q0_out,q1_out : OUT BIT);
END memory_part;
--
ARCHITECTURE structural OF memory_part IS
COMPONENT m
PORT(d : IN BIT; clk : IN BIT; q : OUT BIT);
END COMPONENT;
FOR dff0, dff1 : m USE ENTITY WORK.dff (dataflow);
BEGIN
dff0 : m PORT MAP (d0_in, clk, q0_out);
dff1 : m PORT MAP (d1_in, clk, q1_out);
END structural;
- Wiring memory part
- Memory part consists of two flip-flops
- Statements in Architecture execute concurrently
VHDL_Overview.moore_110...top_down_...wiring_complete_system
ARCHITECTURE structural OF moore_110_detector IS
COMPONENT
l PORT (x, q0_in, q1_in : IN BIT; d0_out, d1_out, z_out : OUT BIT);
END COMPONENT;
FOR lpart : l USE ENTITY WORK.logical_part (structural);
COMPONENT
m PORT (d0_in, d1_in, clk : IN BIT; q0_out, q1_out : OUT BIT);
END COMPONENT;
FOR mpart : m USE ENTITY WORK.memory_part(structural);
SIGNAL conn0, conn1, conn2, conn3 : BIT;
BEGIN
lpart : l PORT MAP (x, conn0, conn1, conn2, conn3, z);
mpart : m PORT MAP (conn2, conn3, clk, conn0, conn1);
END structural;
- Same entity as declared
- Use structural instead of behavioral architecture
VHDL_Overview.moore_110_detector.testbench
ENTITY moore_test IS END moore_test;
--
ARCHITECTURE input_output OF moore_test IS
COMPONENT comp1 PORT (x, clk : IN BIT; z : OUT BIT);
END COMPONENT;
FOR c1 : comp1 USE ENTITY WORK.moore_110_detector (behavioral);
FOR c2 : comp1 USE ENTITY WORK.moore_110_detector (structural);
SIGNAL x_in, clock, z_beh, z_struct, compare_out : BIT;
BEGIN
x_in <= '0', '1' AFTER 500 NS,
'0' AFTER 900 NS, '1' AFTER 1100 NS,
'0' AFTER 1300 NS, '1' AFTER 1500 NS,
'0' AFTER 1900 NS, '1' AFTER 2100 NS,
'0' AFTER 2300 NS, '1' AFTER 2500 NS;
clock <= NOT clock AFTER 100 NS WHEN NOW < 3000 NS ELSE clock;
c1 : comp1 PORT MAP (x_in, clock, z_beh);
c2 : comp1 PORT MAP (x_in, clock, z_struct);
compare_out <= z_beh XOR z_struct;
END input_output;
- A testbench tests and compares two architectures
VHDL_Overview.moore_110_detector.data_generation
PROCEDURE serial_data_generation
(SIGNAL target : OUT BIT; int : IN INTEGER; t : IN TIME) IS
VARIABLE i : INTEGER;
VARIABLE bit_val : BIT;
VARIABLE current : TIME :=100 NS;
BEGIN
i := int;
WHILE i >0 LOOP
IF (i MOD 2 = 1) THEN
bit_val := '1';
ELSE
bit_val := '0';
END IF;
target <= TRANSPORT bit_val AFTER current;
current := current + t;
i := i/2;
END LOOP;
END serial_data_generation;
- Procedure is a sequential body
- It takes zero real time to execute the entire procedure
VHDL_Overview.moore_110_detector.procedural_test
ARCHITECTURE procedural OF moore_test IS
PROCEDURE serial_data_generation
(SIGNAL target : OUT BIT; int : IN INTEGER; t : IN TIME) IS
VARIABLE i : INTEGER;
VARIABLE bit_val : BIT;
VARIABLE current : TIME :=100 NS;
BEGIN
i := int;
WHILE i > 0 LOOP
IF (i MOD 2 = 1) THEN bit_val :='1';
ELSE bit_val := '0';
END IF;
target <= TRANSPORT bit_val AFTER current;
current:=current + t;
i := i / 2;
END LOOP;
END serial_data_generation;
COMPONENT comp PORT (x,clk:IN BIT;z:OUT BIT); END COMPONENT;
FOR c1 : comp USE ENTITY WORK.moore_110_detector(structural);
SIGNAL x_in, clock, z_struct : BIT;
BEGIN
serial_data_generation (x_in, 5548, 200 NS);
clock <= NOT clock AFTER 100 NS WHEN NOW < 3000 NS ELSE clock;
c1 : comp PORT MAP (x_in, clock, z_struct);
END procedural;
- The three statements execute concurrently
VHDL_Overview.moore_110_detector.testbench
- Test may be done for various purposes
- Verify the design
- Check the delays
- Find maximum clock speed
- Compare behavioral & dataflow
- A testbench can instantiate two versions of a component
- XOR gates can be used to flag discrepancies
VHDL_Overview.other_operators
- Operators exist for logical and arithmetic operations
- Concatenation operator produces array
VHDL_Overview.conclusions
1. Outline: Introduction, Organization, Outline
3. VHDL_Timing: Modeling requirements, Objects & classes, Signals & variables, Concurrent & sequential assignments, Events, transactions & delta delays, Delay modeling, Sequential placement of transactions, Conventions
4. Structural_Description_of_Hardware: Wiring parts into larger designs, Start with primitives, Wire gates into general purpose components, Use iterative constructs, Generate testbenches, Show binding alternatives, Use gate-based components for a larger design
5. Design_Organization: Subprograms, Packaging, Parameter specification, Parametrization, Top level configuration, Design libraries, A complete example
6. Utilities_for_high_level_descriptions: Language aspects, Types, Over loading subprograms operators, Predefined Attributes, User defined attributes
7. Dataflow: Constructs for dataflow descriptions, Multiplexing and clocking, Multiple assignments, State machines, Open collector gates, A complete dataflow example, Load dependent timing
8. Behavioral_Descriptions: Constructs for sequential descriptions, Assertion for behavioral checks, Handshaking constructs, Timing control, Formatted I/O, MSI parts, A complete MSI based design
9. STANDARDS: MVL9: logic value system, Logic type, Operators, Conversions; VHDL'93: Operators, Delay model, Instantiation, Binding, Attributes, Signal assignments, Report, Postponed process
to the top of the Document